Изготовление призонных болтов на заказ по чертежам

Мы производим болты призонные на современных станках по вашим чертежам или эскизам. Гарантируем высокое качество, точное соблюдение сроков, доставка в Самару.
  • Используем любые материалы и выполняем заказы любой сложности
  • Полный цикл производства: от создания чертежей до доставки готовых изделий
  • Доступные заказы: минимальная сумма заказа — 20 000 рублей, отгрузка от 2 дней
Свяжитесь с нами, чтобы обсудить ваш проект
+7 (812) 642 33 56
Профессиональная консультация
spbzki@yandex.ru
Пришлите чертеж для быстрого расчета
bolty-prizonnye

Болты, которые можно заказать сейчас

Болт призонный ГОСТ 7817-80 - фото - 2

Болт призонный ГОСТ 7817-80

Подробнее
Работая с нами, вы получаете

Каждая конструкция содержит множество деталей, для надёжного соединения которых используются специальные крепёжные элементы. Самые популярные приспособления, предназначенные для этих нужд — болты. Именно болты особенно широко применяются не только в промышленности и строительстве, но и в быту.

Существует множество разновидностей крепёжного элемента, все они отличаются конструкцией, характеристиками и сферой использования. Один из них — призонный болт.

Описание крепежного элемента

Болт призонный (прецизионный) — крепёжный элемент, обладающий высокими показателями прочности и устойчивости к внешнему воздействию, благодаря которым обеспечивает надёжное и долговечное соединение между необходимыми деталями.

Внешне такой болт не отличается от прочих разновидностей крепежей, но при этом имеет одну особенность — работа на срез. Поэтому при использовании подобных соединительных элементов, особое внимание нужно уделить подбору наиболее подходящего размера стержня.

Достоинства призонных болтов

Болты призонные ГОСТ стандартов широко применяются в самых разных сферах, всё благодаря достоинствам, которые присущи крепёжному элементу:

  • при производстве используют высококачественную сталь, наделяющую болты особой прочностью;
  • изделия гарантируют надёжное и долговечное соединение без зазоров;
  • в процессе изготовления каждый элемент проходит дополнительную закалку, увеличивающую технические характеристики изделия;
  • способны выдерживать огромную нагрузку как статическую, так и динамическую.

Сфера применения призонных болтов

Несмотря на небольшие габариты, приспособление отличается высокой прочностью, надёжностью, устойчивостью к внешнему воздействию, поэтому болты прецизионные нашли широкое применение в самых разных отраслях промышленности и быту.

Крепёжные элементы используются:

  • при монтаже строительных каркасов;
  • для соединения отдельных металлических конструкций: фланцев, шарниров, балок;
  • при возведении кровли;
  • при строительстве новых зданий;
  • для соединения фасадных элементов.

Благодаря высокой надёжности и выдающимся характеристикам изделие нашло применение в металлургии, машиностроении, нефтяной и газовой отрасли, строительстве.

Стандарт качества продукции

Чтобы изделие полностью выполняло возложенные задачи, вся продукция проходит строгий контроль качества. Согласно установленному ГОСТ 7817 болты призонные изготавливаются из особых марок стали:

  • с низким содержанием углерода;
  • легированной;
  • с вариантом термообработки;
  • оцинкованной;
  • с защитой от образования коррозии.

prizonnye

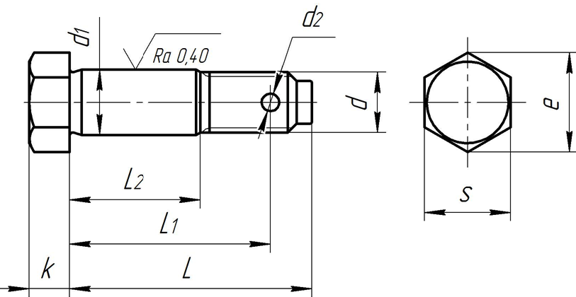
Размеры призонных болтов

  • диаметр резьбы, мм: 6-48;
  • шаг насечки, мм: 1-5;
  • длина изделия, мм: 18-300;
  • длина гладкого участка, мм: 6-220;
  • диаметр гладкого участка, мм: 7-50;
  • размер отверстия под шплинт, мм: 1,6-8;
  • размер головки, мм: 3-30.

Выбирая болты, необходимо уделить внимание не только стоимости продукции, но и отдельным параметрам:

  • максимально допустимую нагрузку, которую способен выдержать крепёжный элемент без деформации;
  • длину стержня;
  • прочностные характеристики.

Также важно, чтобы на «шляпку» болта была нанесена маркировка. Именно она вкратце расскажет об основных характеристиках соединительной детали. Кроме того, маркировка подтвердит, что изделие изготовлено с соблюдением технологий, прошло контроль качества, соответствует стандартам, установленным ГОСТ 7817.

Монтаж призонных болтов

Монтаж изделия довольно прост, не отнимает много времени и не требует применения специальных приспособлений:

  • Первым делом необходимо подготовить отверстие подходящего диаметра.
  • Затем в него помещается болт.
  • С помощью ключа крепёжный элемент закручивается, обеспечивая надёжное, прочное и долговечное соединение деталей конструкции.

Санкт-Петербургский завод крепёжных изделий СПбЗКИ изготавливает призонные болты любого размера под индивидуальные ТЗ. Качество и высокие эксплуатационные характеристики продукции подтверждены соответствующими сертификатами.

Купить болты призонные можно на сайте компании, или позвонив по телефону. Менеджеры подробно расскажут и реализуемой продукции, помогут сделать правильный выбор, а также оформят заказ.

Фотогалерея
Санкт-Петербургский Завод крепежных изделий © 2025г. Все права защищены
Адрес
СПб, г. Колпино, б-р Трудящихся, дом 2, лит. А., пом. 13-Н, офис 1
Яндекс.Метрика